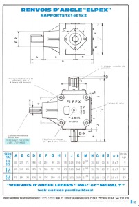
Couverture